雙合金屬工業股份有限公司
雙合鑫股份有限公司
手機選單
熱處理解決方案
製程優勢
關於雙合(鑫)
熱處理知識庫
聯絡我們
Heat treating
copyrihgt shs / sh 2020
回熱處理知識庫
鐵碳平衡圖
鑄鐵組織總整理
鑄鐵組織
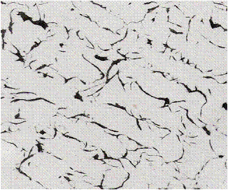
照片1
片狀石墨(Ⅰ型)
將3.27%C,1.92%Si,0.53Mn,0.041%P,0.013%S合金,以Ca-Si接種
照片1
片狀石墨(Ⅰ型)
將3.27%C,1.92%Si,0.53Mn,0.041%P,0.013%S合金,以Ca-Si接種
照片2
擬片狀石墨(Ⅲ型)
將3.55%C,3.04%Si,0.55%Mn0.057%P,0.021%S,添加球化劑通常的1/3量,進行不完全的球化處理後,澆鑄於ψ30mm的濕砂模中,Mg殘留量0.01%。
照片3
塊狀石墨(Ⅳ型)
同照片11的試料,於拋光狀態拍照。
照片4
球狀石墨(Ⅵ型)
同照片13的試料,在偏光下拍照,可見石墨的小結晶以放射狀從中心成長。
照片5
薔薇狀石墨(B型)
3.77%C,2.34%Si,0.49%Mn,0.046%P,0.015%S之合金,以砂模鑄造之組織。
照片6
kish石墨(C型)
4.09%C,1.78%Si,0.22%Mn,0.053%P, 0.019%S 之合金組織,因為過共晶組成,可見初晶之粗大片狀石墨。
照片7
共晶石墨(D型)
3.23%C,1.80%Si,0.53%Mn,0.039% P,0.014%S之合金中添加0.18%Ti。組織為初晶沃斯田鐵和安定系共晶(L→γ+c)所構成。
照片8
樹枝狀間隙石墨(E型)
3.15%C,1.68%Si,0.58%Mn,0.049%P, 0.019%S 合金之鑄造組織。
照片9
灰鑄鐵
將3.02%C,1.64%Si,0.44%Mn,0.041%P,0.013%S之合金澆鑄於直徑30mm之濕模中,使用picral 腐蝕液,可見黑色片狀石墨與波來鐵基地。
照片10
白鑄鐵
3.28%C,1.58%Si,0.50%Mn,0.040%P,0.013%S合金澆鑄於直徑30mm之金屬模中,picral腐蝕液,白色部分為準安定系共晶之粒滴斑鐵中之Fe3C,被腐蝕的部分為由初晶沃斯田鐵變態而成之波來鐵。
照片11
黑心可鍛鑄鐵
將2.24%C,1.28%Si,0.31%Mn,0.039%, 0.08%S,砂模鑄造所得之白鑄鐵,950℃X20h→700℃X11h,二段石墨化處理後,所有的Fe3C分解石墨化,基地為肥粒鐵。(Nital腐蝕液)
照片12
波來可鍛鑄鐵
與照片11同一試料,但只經950℃X20h之第一段 石墨化處理→空冷,picral液腐蝕,基地波來鐵,石墨之周圍是肥粒鐵,此種組織稱為牛眼組織(bull-eye structure)。
照片13
球墨鑄鐵組織(1)
含3.5%C,3.6%Si,0.57%Mn,0.054%P,0.018%S之銑中進行Mg處理(Mg殘留量0.03%),澆鑄於30mm直徑之濕模中,基地為肥粒鐵。
照片14
球墨鑄鐵組織(2)
將照片13之試料,加熱900℃X3h退火處理後。基地為波來鐵,腐蝕液picral。
實用之鑄鐵含有各種元素,但主要是Fe-C-Si三元素,下圖為Maurer發表之組織圖,此係將各種C、Si含量不同之鑄鐵。自1250℃澆鑄於直徑75mm之乾燥砂模時所得之組織。
圖中斜線Ⅱ區域可得波來鐵(基地)分散著片狀石墨,亦即為波來鐵鑄鐵。Ⅱa之區域是白鑄鐵和波來鐵之混合組織,可得斑鑄鐵(mottled cast iron)。Ⅱb為波來鐵+肥粒鐵+石墨之混合組織。
照片11、12所示之可鍛鑄鐵,乃是將Ⅰ區域之白鑄鐵,在700~950℃長時間加熱,使雪明碳鐵(Fe3C)分解成塊狀之石墨(如照片3所示)。
照片13、14之球狀石墨鑄鐵,乃是屬於Ⅲ區域之組織的溶銑中,添加少量之Mg或Ce以阻止片狀石墨之晶出,並於澆鑄直前追加Si使晶出球狀石墨。
回熱處理知識庫列表
熱處理知識庫
在這裡你可以了解熱處理的相關技術文件
聯絡我們
有金屬熱處理需求或其他金屬加工需求?
請與我們聯繫
抱歉,為了您的瀏覽體驗及安全性,本網站不支援IE瀏覽器,請參考下方常用瀏覽器。
Edge
Chrome
Firefox
Opera